Характеристики
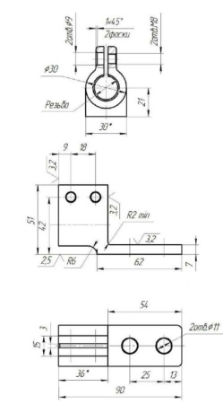
Мощность трансформатора, кВА
—
400
Резьба на шпильке трансформатора
—
М20х2,5
Количество отверстий на контактной площадке
—
2 отверстия
Габаритные размеры ДхШхВ, мм
—
51х30х90
Масса, кг
—
0.56
В корзину
Купить в 1 клик
Наличие уточняйте у наших менеджеров
