Характеристики
Номинальный ток, А
—
500
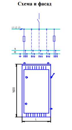
Число отходящих линий и номинальные токи предохранителей
—
4х60 + 4х100
Размер L, мм
—
700
Масса, кг
—
72
68 100.75 ₽ /шт
71 685 ₽
-5%
Экономия 3 584.25 ₽
Варианты цен
68 100.75 ₽ /шт
71 685 ₽
-5%
Экономия 3 584.25 ₽
Нашли дешевле?
В корзину
Купить в 1 клик
Наличие уточняйте у наших менеджеров
Описание
Шкафы распределительные силовые ШРС1 предназначены для приема и распределения электроэнергии в промышленных электроустановках. Шкафы рассчитаны на номинальные токи до 400 А и номинальное напряжение до 380 В в сетях с глухозаземленной нейтралью трехфазного переменного тока частотой 50 Гц и с защитой отходящих линий предохранителями ПН2 и НПН2.
Шкафы силовые ШРС1 представляют собой окрашенные сварные металлоконструкции с установленными в них коммутационно-защитными аппаратами. Ввод и вывод проводов и кабелей предусмотрены снизу и сверху шкафа. Наибольшее число сечений и жил проводов и кабелей.
Шкафы силовые ШРС1 представляют собой окрашенные сварные металлоконструкции с установленными в них коммутационно-защитными аппаратами. Ввод и вывод проводов и кабелей предусмотрены снизу и сверху шкафа. Наибольшее число сечений и жил проводов и кабелей.
